IBM Books

Nways Multiprotocol Access Services Software User's Guide Version 3.3


Using FDDI

This chapter describes how to set software-configurable information for the Fiber Distributed Data Interface (FDDI) in the router.

This chapter contains the following sections:


Fiber Distributed Data Interface (FDDI) Overview

Fiber Distributed Data Interface (FDDI) is described by the ANSI X3T9.5 and ISO 9314 committees as a dual counter-rotating ring that operates at a defined speed of 100 Mbps.

In many ways, FDDI is similar to the IEEE 802.5 token-ring, although there are differences, some of which are described in "Differences Between FDDI and Token-Ring".

Token-Passing Ring Network

FDDI is defined as a token-passing protocol. Each station has the chance to transmit data when a token passes. A station can decide how many frames it will transmit using an algorithm that permits "bandwidth" allocating.

FDDI also allows a station to transmit many frames without releasing the token in a way that is similar to the IEEE 802.5 token-ring standard.

An FDDI ring network consists of a set of stations/devices connected as a serial string of stations/devices and transmission media to form a physically closed loop. Information is transmitted sequentially as a stream of suitably encoded signals from one active station/device to the next active one.

Each station/device generally regenerates and repeats each token and can serve as the means of attaching one or more stations/devices to the network.

Primary and Secondary Rings

FDDI defines two rings:

Each ring path consists of two fibers, each fiber transmitting one signal; one is pushed and one is pulled in a device. Each fiber is equivalent to a pair of copper conductors. The physical approach in terms of fiber optics is similar to physical fiber optic token-ring paths.

Attachment of Devices

FDDI permits many attachment units:

These units can be attached to FDDI networks in various ways, similar to those for token-ring networks.

Differences Between FDDI and Token-Ring

The main differences between FDDI and token-ring techniques are:

FDDI defines two device classes, A and B, to differentiate between devices that attach to one ring or both rings, as described in the next section.

Device Classes A and B

FDDI defines two device classes:

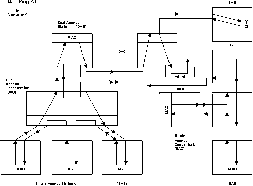
FDDI Network Diagram

Figure 14. FDDI Network Diagram


View figure.


[ Top of Page | Previous Page | Next Page | Table of Contents | Index ]