7.8 Disassembly and assembly of the Disc Tray

TOP PREVIOUS NEXT

Step 2 With lifting the claw in the direction of arrow 1, draw the clamp SW P.C.B. in the direction of arrow 2.

Step 3 Remove the mechanism cover.

Step 4 Insert the gear with hexagonal wrench into the hole.

Step 5 Rotate the hexagonal wrench in the direction of arrow (clockwise), and then open the disc tray fully.

Step 6 Upset the CD changer unit again.

Step 7 Release both the claws, and then draw the disc tray.

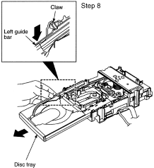
Step 8 With forcing the left guide bar manually because the left guide bar interfers with claw, draw the disc tray.

Step 1 Slide the drive rack fully in the direction of arrow.

Step 2 Holding the drive rack not to move, install the disc tray.

Step 3 Align the drive rack with the driver gear.

Step 4 Holding the disc tray manually, rotate the pulley gear in the direction of arrow.

Step 5 Rotate the gear 5 or 6 times manually, and then push the disc tray.


TOP PREVIOUS NEXT