SEG 15 D Erweiterung auf 14 MHz

Schritt 1: Anpassung der Frequenzaufbereitung

Die Anpassung der Frequenzaufbereitung ist die wichtigste und eigentliche Maßnahme, um für 14 MHz "fit" zu werden - die weiteren Schritte sind dann nur noch "Peanuts".

Dazu biete ich hier zwei Methoden mit unterschiedlichen Vor- und Nachteilen zur Auswahl an:

Um Dir die Auswahl des besten Weges zu ermöglichen, hier zunächst eine Gegenüberstellung beider Methoden:

Kriterium "Klassische" Methode nach DJ2EI(?) DL7AWL-Methode

Maßnahme
(nötige Schritte)

Durchtrennen einer Verbindung. Herstellung, Einbau und Verdrahtung einer Zusatzplatine mit 2 TTL-ICs und 1 Kondensator.Umbeschriften der "11" auf der MHz-Zahlenscheibe in "14". Durchtrennen von zwei Verbindungen.
Einbau eines zweipoligen Kleinst-Schalters (Variante a).
(Alternativ: Einbau eines einpoligen Schalters sowie 2 Dioden und 2 Widerständen; Variante b)

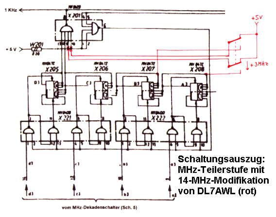
Schaltbild der Modifikation,
rot in Originalausschnitt
eingezeichnet

(Bild anklicken für vergrößerte Wiedergabe
mit Erklärung)

SEG-Frequenzbereich
nach Modifikation

1,0-10,999 MHz   und   14,0 bis 14,999 MHz erweitert auf 1,0 bis 14,999 MHz durchgehend

Funktionalität aus Benutzersicht

11-MHz-Bereich geht verloren,

Dekadenschalterstellung "11" aktiviert stattdessen den 14-MHz-Bereich

MHz-Dekadenschalter wählt Frequenzen von 1 - 11 MHz wie bisher direkt. Der Extra-Schalter erlaubt Verschiebung jedes beliebigen eingestellten Wertes um +3 MHz, dadurch volle Abdeckung des neuen Gesamtbereichs

Mechanische Veränderungen
am Gehäuse (Frontplatte)

keine 1 Loch für Schalter bohren

Kritische mechanische Arbeiten, die Geschicklichkeit und passendes Werkzeug erfordern

Durchtrennen einer Leiterbahn Durchtrennen einer Leiterbahn, Abtrennen eines Pins am eingelöteten IC, sauberes Anbringen der Frontplattenbohrung

So, jetzt mußt Du Dich entscheiden! Klicke in der nachfolgenden Zusammenfassung die gewünschte Methode an!

Zusammenfassung

"Klassische" Methode nach DJ2EI(?) DL7AWL-Methode

Hauptvorteile

  • Kein "Anbohren" des Gehäuses
  • Lückenlos durchgehender Frequenzbereich
  • Frequenzbereich 3 MHz größer als vorher
  • fast kein Material- und Verdrahtungsaufwand
  • keine Anfertigung einer Zusatzplatine
  • geringstmögliche Kosten

Hauptnachteile

  • Kleinerer und "zerstückelter" Frequenzbereich
  • Anfertigung einer Zusatzplatine nötig
  • Höherer Material- und Verdrahtungsaufwand
  • Das saubere Ausführen der Bohrung in Frontplatte und Gehäuse erfordert Fingerspitzengefühl und ist nicht jedermanns Sache (mir liegt sowas eigentlich auch nicht, aber wie man im obigen Frontplattenausschnitt sieht, ist es mir trotzdem gelungen - inzwischen übrigens schon bei mehreren Geräten)



14-MHz-Modifikation der Frequenzaufbereitung nach der "klassischen" Methode

Die nachfolgende Beschreibung ist ein von mir angepaßter Auszug aus einer auf SEG 100 bezogenen Beschreibung von DK4RY (vgl. hier):

Gerät öffnen, die Kassette Frequenzaufbereitung hochklappen. Oberen und unteren Deckel entfernen. Die IC X201, X207, X208, X221 und X222 lokalisieren. Die befinden sich in der Nähe der Steckverbindung St01. Siehe Bild ic.jpg. Beim IC X201 die Verbindung zwischen Pin 9 und 10 auf der Leiterbahnseite unterbrechen.

Fertigung einer Zusatzplatine: Auf einer Lochstreifenrasterplatine ein IC 74LS32 (als IC1 bezeichnet) und ein IC 74LS00 (als IC2 bezeichnet) nebeneinander löten und wie folgt verbinden:

IC1 (74LS32):

IC2 (74LS00):

Pin 1 auf X221 Pin 1

Pin 1 auf X207 Pin 8
Pin 2 auf X221 Pin 4 Pin 2 auf X208 Pin 8
Pin 3 mit Pin 10 verbinden Pin 3 mit Pin 4 verbinden
Pin 4 auf X222 Pin 1 Pin 4 ist mit Pin 3 verbunden
Pin 5 auf X222 Pin 4 Pin 5 mit Pin 8 verbinden
Pin 6 mit Pin 9 verbinden Pin 6 auf X201 Pin 9
Pin 7 auf Masse Pin 7 auf Masse
Pin 8 mit IC2 Pin 9 und IC2 Pin 10 verbinden Pin 8 ist mit Pin 5 verbunden
Pin 9 ist mit Pin 6 verbunden Pin 9 und Pin 10 ist mit IC1 Pin 8 verbunden
Pin 10 ist mit Pin 3 verbunden Pin 10 siehe vorige Zeile
Pin 11 ist frei Pin 11 ist frei
Pin 12 auf Masse Pin 12 auf Masse
Pin 13 auf Masse Pin 13 auf Masse
Pin 14 auf + 5 V Pin 14 auf + 5 V

Es ist nicht verkehrt, die 5 V auf der Zusatzplatine mit einem 100 nF-C abzublocken.

Die Logik dieser Schaltung entstammt wohl DJ2EI, für professionelle Anwender gibts auch eine gedruckte Schaltung (siehe Bild platine.jpg). Belegung und Leiterbahnverlauf sind von der Bestückungsseite her gesehen.

5 V-Spannungsanschlußpunkte und Massestellen gibts genug auf der Frequenzaufbereitungsplatine. Die Zusatzplatine über den ICs X205, X206, X206 befestigen. Siehe Bild freqaufb.jpg.


Soweit die Anleitung von DK4RY. Damit der interessierte Amateur auch nachvollziehen kann, wie die Änderung funktioniert, habe ich dazu noch ein Schaltbild nebst Beschreibung erstellt. DL7AWL

Nach Du nun also die Frequenzsynthese angepaßt hast, kannst Du fortfahren
mit Schritt 2: Erweiterung bzw. Anpassung des PLL-Fangbereichs


Zurück: zur  übergeordneten Seite oder zur Startseite

14-MHz-Modifikation der Frequenzaufbereitung nach der Methode von DL7AWL

Wohlgemerkt: Eigentlich ist es eine "12-13-14-MHz-Modifikation", denn es handelt sich um eine echte Erweiterung des Frequenzbereichs um diese 3 MHz-Stufen.

Wir brauchen:

Beide Varianten sind funktional gleichwertig, je nach vorhandenem Material kann man die eine oder andere wählen. Variante (a) besticht durch den denkbar geringsten Bauteileaufwand, während bei Variante (b) wegen des schmaleren Schalters eine etwas größere Toleranz beim Plazieren der Bohrung gegeben ist.

Außerdem brauchen wir natürlich etwas Schaltdraht. Ich empfehle flexible Litze, sie "schmiegt" sich besser, bricht nicht so leicht ab und übt keine mechanischen Spannungen auf die Bauteileanschlüsse aus!

Anbringen der Schalter-Bohrung

Der einzige Platz an der Frontplatte, der für eine sinnvolle Anbringung des Schalters in Frage kommt, befindet sich rechts neben der BNC-Buchse (siehe Bilder rechts). Nur dort ist die Front-Gehäusewand von innen her direkt zugänglich und für einen Schaltereinbau geeignet. Das obere Bild zeigt außerdem einen sinnvollen Beschriftungsvorschlag.für den neuen Schalter. Richtig ausgedruckt, kann man es vielleicht sogar direkt als Schablone zum Anzeichnen der Bohrung nutzen.

Bevor gebohrt wird, öffnen wir das Gerät, stellen es auf den Kopf und klappen die Kassetten nach Lösen der 4 rot markierten Halteschrauben auseinander. Dann schrauben wir sicherheitshalber die Glühlampenfassung ab und biegen sie mitsamt Birne aus dem Arbeitsbereich heraus.

Man sollte sich überlegen, ob man lieber von außen nach innen bohrt oder umgekehrt; beides ist möglich. Ich habe von innen gebohrt, um sicher zu sein, daß die Stelle stimmt: Soweit wie möglich von der BNC-Buchse weg, aber Platzbedarf des Schalters bedenken! Wenn keine Absaugmöglichkeit zur Verfügung steht, hilft ein Stück Paketband, locker um den Bohrbereich geklebt, die Bohrspäne von der Elektronik fernzuhalten. Sinnvollerweise wird zunächst mit einem scharfen feinen Bohrer (z.B. 1-1,5 mm) vorgebohrt, und zwar in einem Zug durch Frontplatte und Gehäusewand zugleich, damit eine Deckungsgleichheit sichergestellt ist. Erst dann wird die Frontplatte abgenommen (siehe hierzu auch unter Handhabungstips), so daß die endgültigen Bohrungen in Frontplatte und Gehäusewand jeweils "artgerecht" separat durchgeführt werden können. Ein anschließend vorsichtig eingesetzter Senker kann die Bohrungen entgraten und der Frontplattenbohrung noch eine schöne Fase geben. Man sollte nicht versuchen, mit einem größeren Bohrer zu senken - das "rumpelt" und gibt meist kein schönes Ergebnis.


Abtrennen von 2 IC-Anschlüssen

Beide Deckel der Frequenzaufbereitungs-Kassette öffnen und beiseite legen. Zunächst lokalisieren wir X 201, als Hilfestellung greife ich nochmals auf das Bild ic.jpg von DK4RY zurück.

Wie aus dem Schaltbild hervorgeht, müssen bei X 201 die Pins 9 und 10 von der übrigen Schaltung (+5 V über Vorwiderstand) getrennt werden. Bei Pin 9 ist das einfach, es wird einfach leiterbahnseitig die Verbindung zu Pin 10 durchtrennt. Bei Pin 10 gibt es leider keine solche Möglichkeit, weil sich die Leiterbahn unter dem IC befindet. Pin 10 muß deshalb knapp oberhalb der Platine auf der Bestückungsseite durchtrennt werden; es muß aber noch "genug Pin" übrigbleiben, damit dort später ein flexibler Draht angelötet werden kann. Man kann es mit einem äußerst feinen speziellen Elektronik-Seitenschneider (!) machen, muß aber vorsichtig "knabbernd" zu Werke gehen, damit keine allzugroßen mechanischen Spannungen auf das IC-Gehäuse ausgeübt werden. Zumindest Keramikgehäuse nehmen so etwas sehr übel! Ich habe es anders gemacht, nämlich mit einer hochtourigen Kleinstbohrmaschine (z.B. "Dremel") und einem winzigen Kugel-Fräskopf. Das zahnarzt-artige Durchfräsen des Pins dicht über der Platine ist bei vorsichtiger Ausführung gewiß schonend für das IC, nur muß man anschließend die feinen Metallspäne sehr sorgfältig entfernen.

Sollte ein Malheur passieren und das IC dabei das Zeitliche segnen, ist das auch kein Drama: Ein neuer 74(LS)20 kostet rund 1,- DM und kann auch ohne Spezialwerkzeug wie folgt sauber ausgetauscht werden. Alle Pins mit Seitenschneider abzwicken, IC wegwerfen, jedes Lötauge einzeln erhitzen und mit Pinzette Pin-Rest herausziehen. Dann mit Lötsauger oder Lötsauglitze überschüssiges Zinn abaugen sowie - falls erforderlich - nochmals jedes Lötauge einzeln erhitzen und zugleich mit Stahlnadel freistechen. Vor dem Einsetzen des neuen ICs jetzt natürlich Pins 9 und 10 gleich hochbiegen und gar nicht erst mit einlöten!

Nach diesem Schritt kann der innenliegende Deckel (Lötseite) der Frequenzaufbereitung bereits wieder geschlossen werden.

Herstellen der Verdrahtung

Der Schalter wird sinnvollerweise vor dem Einbau angeschlossen (und auch getestet, s.u.). Die von ihm zur Frequenzaufbereitung führenden Leitungen müssen lang genug sein, damit die Kassette auch später noch geschwenkt werden kann. Sie werden an Stecker 01 vorbei ins Kassetteninnere geführt. Falls die Leitungen dünn genug sind, kann man sie beim SEG 15 auch durch das Gewindeloch links davon führen. Dort sind sie vor scharfen Kanten geschützt.

Die Details der Verdrahtung gehen aus den folgenden Bildern hervor.

Variante (a) Variante (b)

zugehöriges Schaltbild

Die +5-Volt-Leitung wird nicht in die Kassette geführt, sondern direkt zum benachbarten MHz-Drehschalter. Dort liegen die 5 V zwar nicht direkt, sondern "nur" über einen Vorwiderstand an, aber genau das ist in diesem Fall auch erwünscht (TTL-Spielregeln).

Und so findet man den richtigen Anschlußpunkt am Drehschalter zum Abgriff der 5 Volt: Offenes Gerät mit ausgeschwenkter Frequenzaufbereitungs - Kassette in Betrieb nehmen, dabei aufpassen, daß die noch lose Glühlampenfassung nirgendwo gegenkommen und einen Kurzschluß verursachen kann. MHz-Drehschalter im Gehäuseinneren lokalisieren; er besteht aus einzelnen "Schichten" mit jeweils vielen Lötösen. An der hintersten (am weitesten von der Frontplatte entfernten) Schicht sind alle Lötösen durchverbunden. Uns interessiert die Schicht davor. Dort gibt es sozusagen zwei "Durchverbindungen", und die Lötösen dieser Schicht sind abwechselnd mit der einen und der anderen verbunden. Eine dieser Durchverbindungen führt Massepotential, die andere 5 Volt. Wir suchen die 5-Volt-Leitung mit einem Multimeter o.ä. und vergewissern uns, daß dort unabhängig von der MHz-Schalterstellung immer 5 V anliegen - dann stimmt die Stelle. Dort schließen wir nun unseren zum Schalter führenden Draht an (aber erst, nachdem wir das Gerät wieder von der Stromversorgung getrennt haben!).

zugehöriges Schaltbild
Bei dieser Variante darf man sich - anders als bei Variante (a) - die +5 V nicht vom Drehschalter holen, weil hier eine niederohmige Quelle benötigt wird.

Pin 14 von einem der ICs, z.B. X 205, ist als 5-V-Anschlußpunkt geeignet.

Erster Funktionstest

Um die Funktion des neuen Schalters am offenen Gerät zu testen, schlage ich eine "mittlere" Frequenz vor, da die PLL im oben neu hinzugekommenen Bereich wahrscheinlich noch nicht einrastet. Es bietet sich die Rundfunkfrequenz 6075 KHz (Deutsche Welle) an, einzustellen und abzuhören zunächst in der "Normal" - Stellung des neuen Schalters. Als Antenne, falls überhaupt erforderlich, reicht meist ein kurzer Draht, der mit dem Variometer grob auf Empfangsmaximum angepaßt wird (senden dürfen wir hier nicht!!!). Wird der Schalter auf Stellung "+3MHz" umgelegt, muß der Empfang verschwinden, beim Zurückdrehen des MHz-Drehschalters um 3 Schritte (Anzeige "3075") aber wieder zu hören sein. Dann ist alles in Ordnung. Vorsicht, daß der lose herumbaumelnde Schalter und die Glühlampenfassung keine Kurzschlüsse verursachen! Beide können nach erfolgreichem Test endgültig eingebaut und dann die Frontplatte wieder angebracht werden. Ebenso können wir die (oben noch offene) Frequenzaufbereitungskassette bereits wieder einschwenken und am Rahmen festschrauben.

Nachdem Du nun also die Frequenzsynthese angepaßt hast, kannst Du fortfahren
mit Schritt 2: Erweiterung bzw. Anpassung des PLL-Fangbereichs


Zurück: zur  übergeordneten Seite oder zur Startseite