Help me if I helped you.
Buy me a beer/coffee!
Keep this site updated!

Directory Listing of /edt/manual/Hardware/G/Grundig/Audio/ocean boy 202/

Folder.. - Jun 23 2019 04:55:22 AM
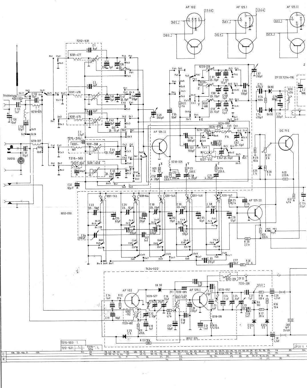
OB202p1.gifOB202p1.gif 218KB Feb 28 2003 09:17:10 PMOB202p1.gif
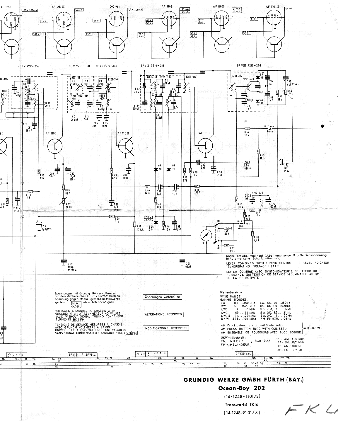
OB202p2.gifOB202p2.gif 173KB Feb 28 2003 09:17:06 PMOB202p2.gif
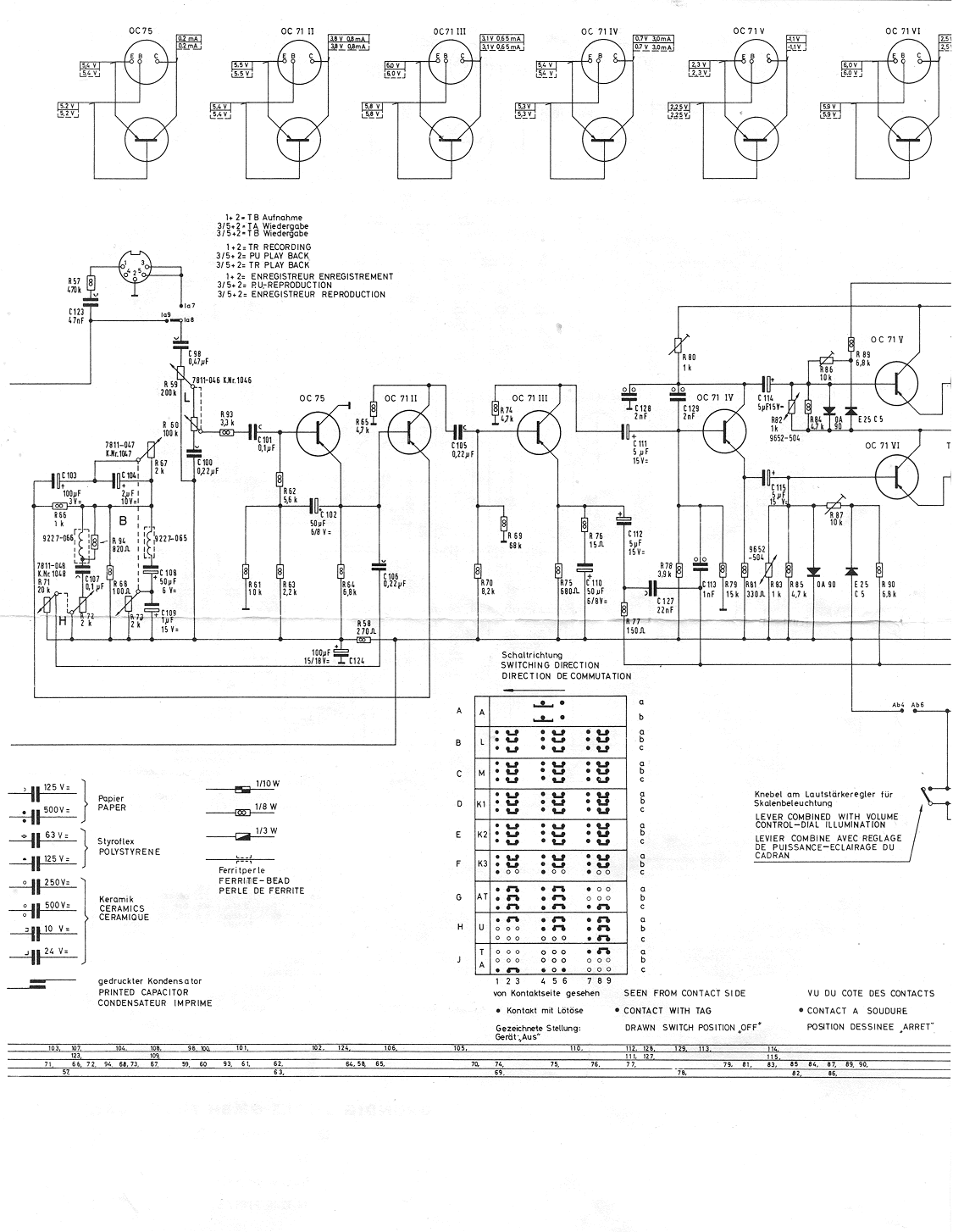
OB202p3.gifOB202p3.gif 181KB Feb 28 2003 09:17:00 PMOB202p3.gif
OB202p4.gifOB202p4.gif 103KB Feb 28 2003 09:16:58 PMOB202p4.gif