Help me if I helped you.
Buy me a beer/coffee!
Keep this site updated!

Directory Listing of /edt/manual/Hardware/H/Hallicrafters/s20/

Folder.. - Jun 23 2019 04:58:00 AM
00.gif00.gif 210KB Feb 23 2003 05:12:46 AM00.gif
01.gif01.gif 143KB Feb 23 2003 05:13:12 AM01.gif
02.gif02.gif 154KB Feb 23 2003 05:13:36 AM02.gif
03.gif03.gif 93KB Feb 23 2003 05:13:54 AM03.gif
s-20.djvus-20.djvu 94KB Jun 20 2003 09:08:44 AM
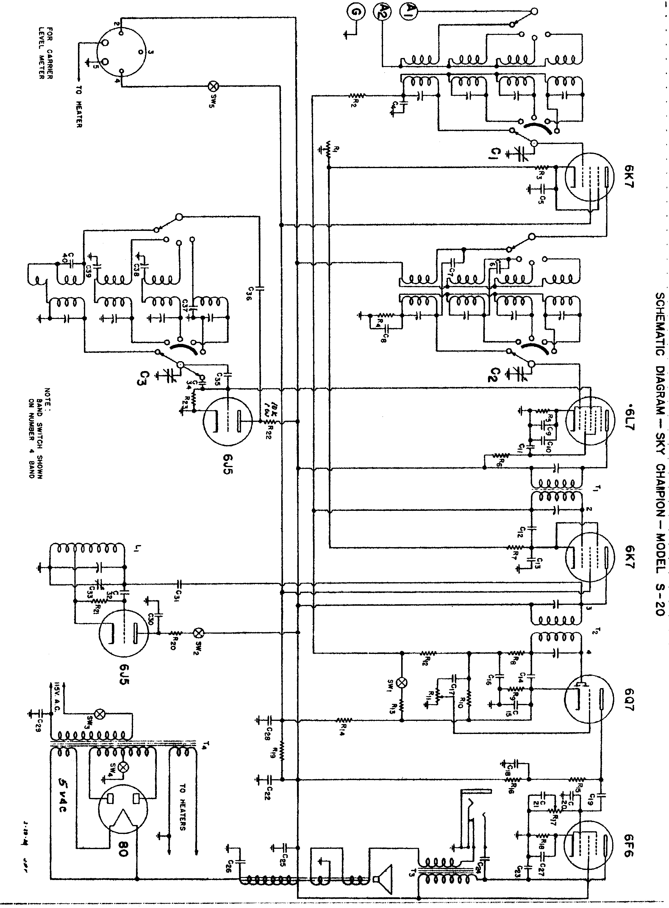
sch.gifsch.gif 124KB Feb 23 2003 05:14:18 AMsch.gif