Help me if I helped you.
Buy me a beer/coffee!
Keep this site updated!

Directory Listing of /edt/manual/Hardware/H/Hammarlund/sp400/

Folder.. - Jun 23 2019 05:00:20 AM
mfgtst/mfgtst/ - Jun 23 2019 05:00:13 AM
400part1.gif400part1.gif 113KB Feb 23 2003 01:56:06 PM400part1.gif
400part2.gif400part2.gif 79KB Feb 23 2003 01:56:24 PM400part2.gif
400part3.gif400part3.gif 105KB Feb 23 2003 01:56:52 PM400part3.gif
400x_sch.djvu400x_sch.djvu 138KB Jun 20 2003 12:51:16 PM
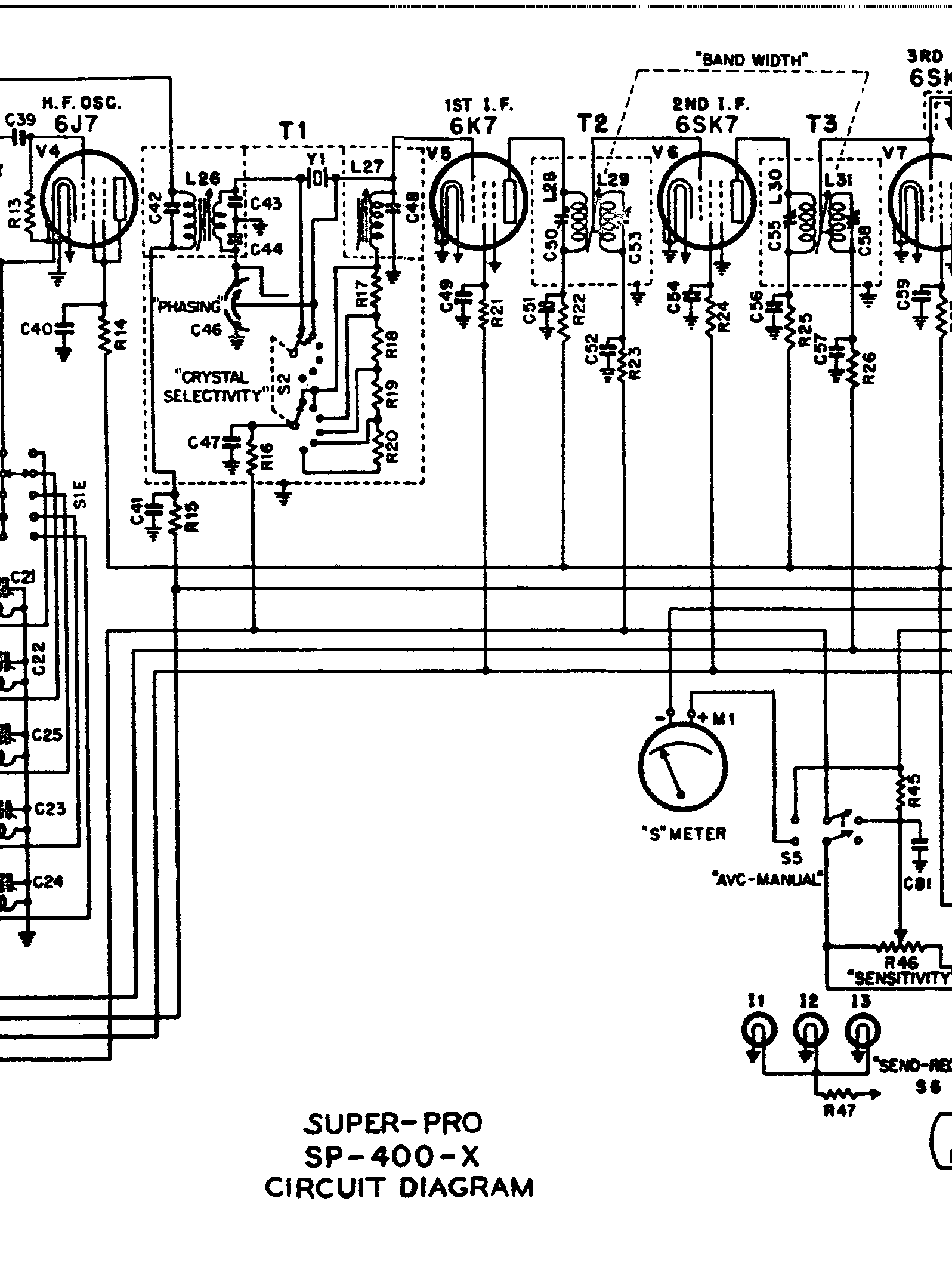
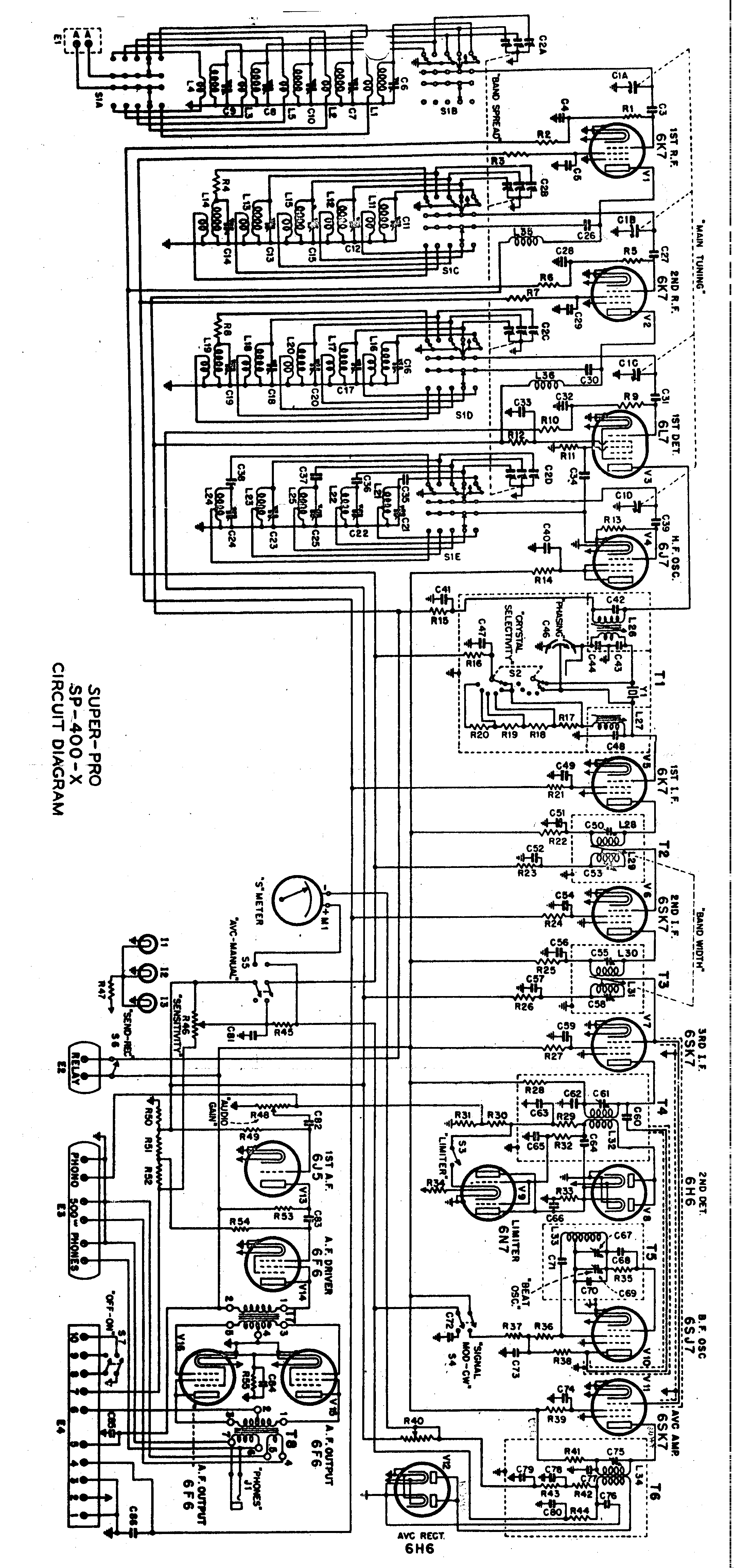
400X_Sch.gif400X_Sch.gif 258KB Feb 23 2003 01:55:22 PM400X_Sch.gif
sp400x_schematic.gifsp400x_schematic.gif 290KB Oct 10 2003 07:41:13 PMsp400x_schematic.gif