Help me if I helped you.
Buy me a beer/coffee!
Keep this site updated!
Directory Listing of /edt/manual/Hardware/H/Heath/Product/SB-330/
Home
>
Hardware
>
H
>
Heath
>
Product
>
SB-330
File
Size
Last Modified
..
-
Jun 23 2019 05:12:33 AM
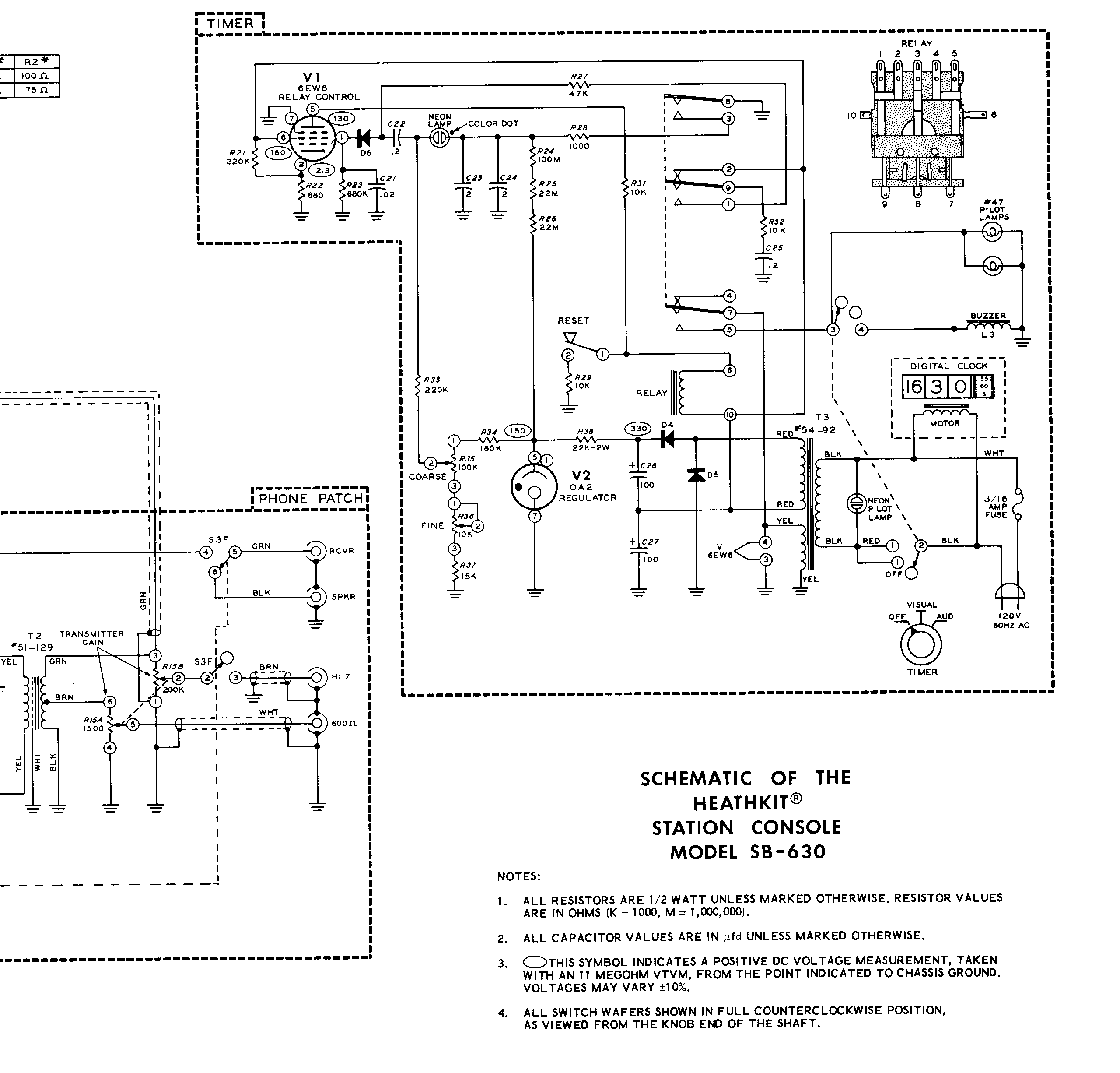
Sb630_1.gif
105KB
Jun 21 2003 01:33:12 AM
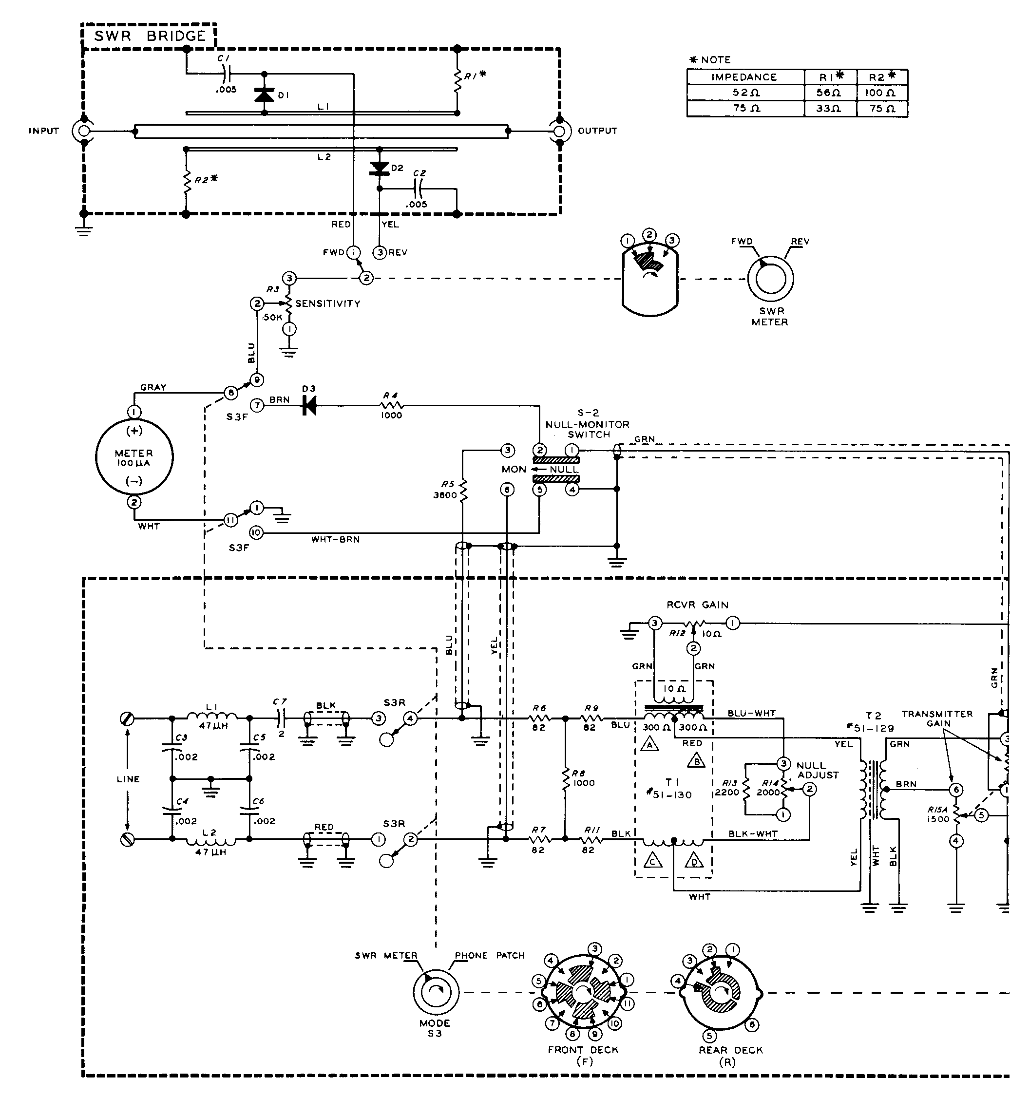
sb630_2.GIF
69KB
Jun 21 2003 01:33:20 AM