Help me if I helped you.
Buy me a beer/coffee!
Keep this site updated!
Directory Listing of /edt/manual/Hardware/H/Huntron/
Home
>
Hardware
>
H
>
Huntron
File
Size
Last Modified
..
-
Nov 13 2025 01:50:42 PM
410/
-
Jun 23 2019 07:21:22 AM
1000/
-
Jun 23 2019 07:21:20 AM
1005/
-
Jun 23 2019 07:21:21 AM
2000/
-
Jun 23 2019 07:21:22 AM
5100/
-
Jun 23 2019 07:21:23 AM
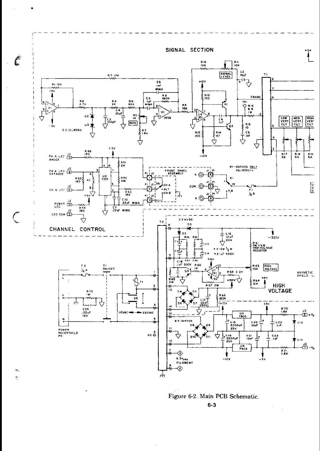
Huntron01.jpg
274KB
Dec 29 2003 06:18:16 PM
Huntron02.jpg
472KB
Dec 29 2003 06:18:16 PM