Help me if I helped you.
Buy me a beer/coffee!
Keep this site updated!
Directory Listing of /edt/manual/Hardware/I/Icom www.icom.co.jp/IC-Q7 A/schema/
Home
>
Hardware
>
I
>
Icom www.icom.co.jp
>
IC-Q7 A
>
schema
File
Size
Last Modified
..
-
Jun 23 2019 08:22:07 AM
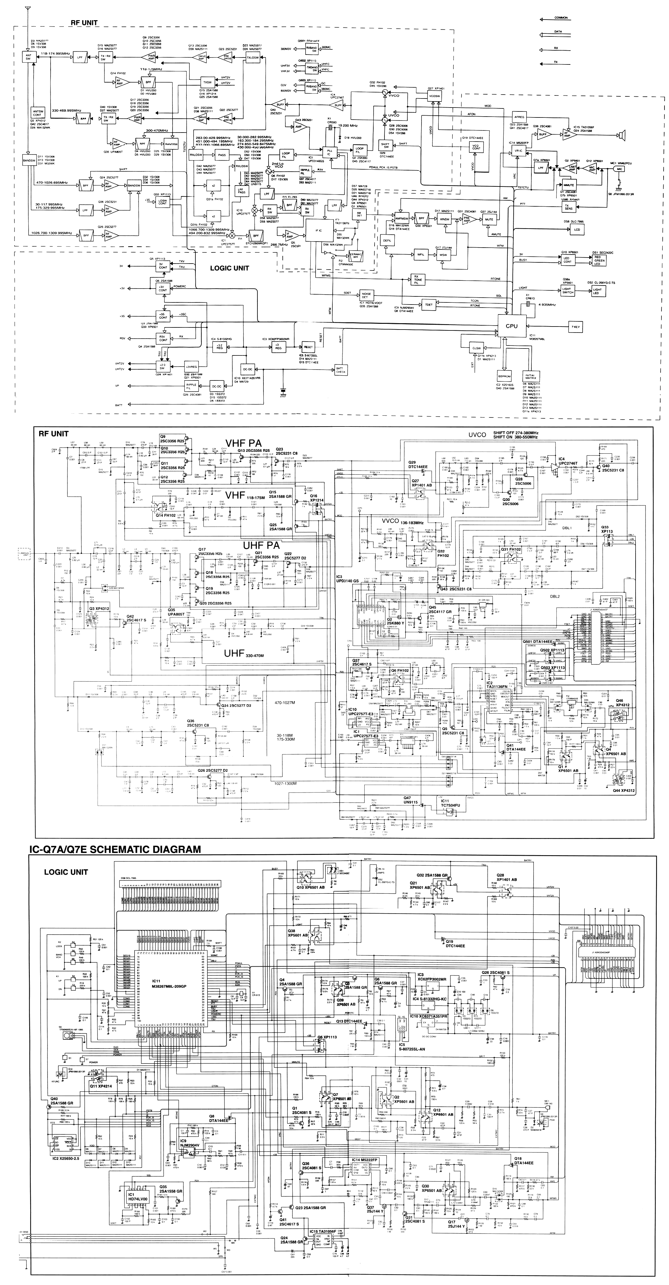
IC-q7a.gif
595KB
Apr 03 2003 10:23:55 PM