Help me if I helped you.
Buy me a beer/coffee!
Keep this site updated!
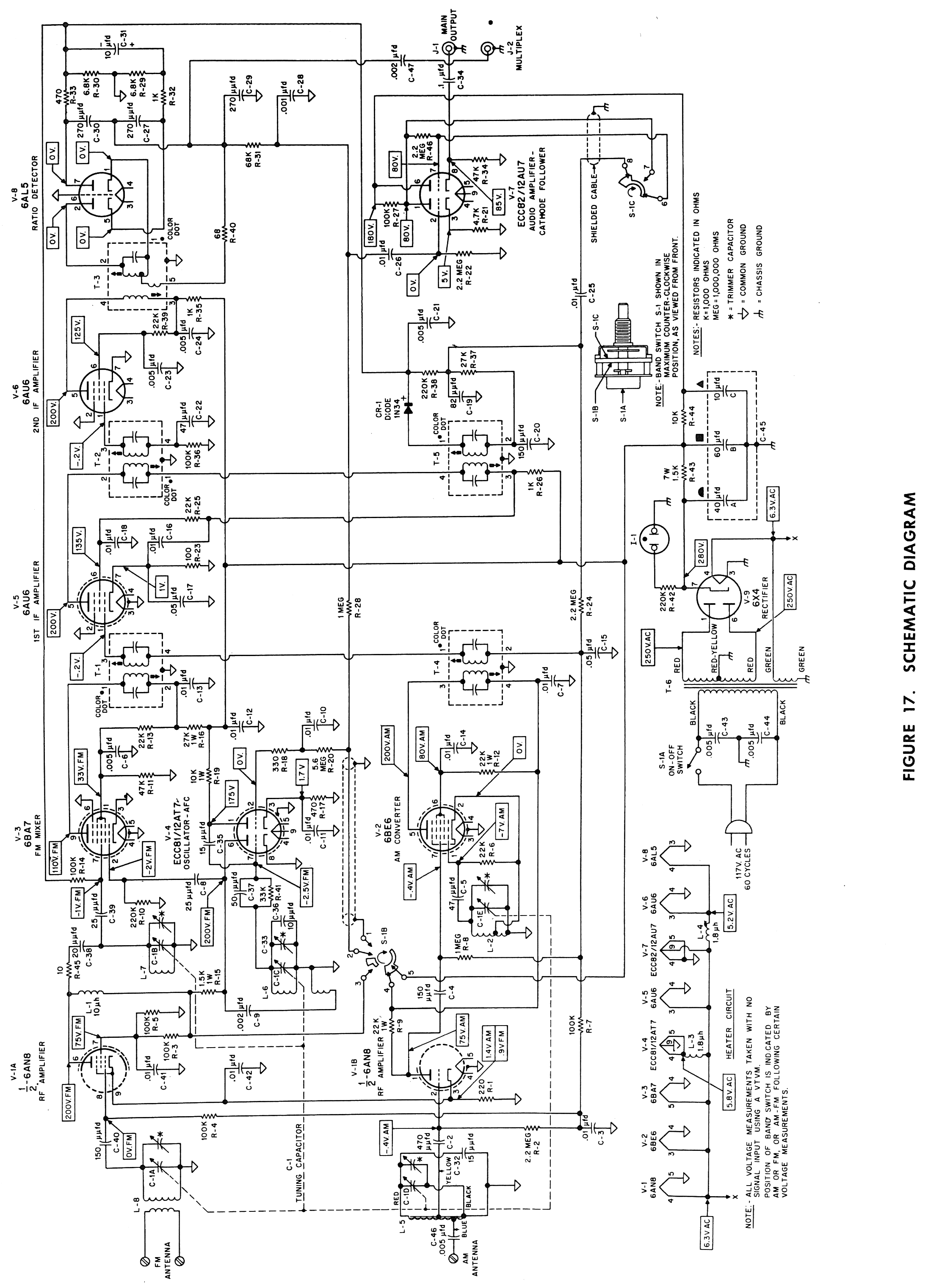
Directory Listing of /edt/manual/Hardware/K/Knight/83YX78/
Home
>
Hardware
>
K
>
Knight
>
83YX78
File
Size
Last Modified
..
-
Jun 23 2019 09:04:11 AM
knight-83YX78.png
782KB
May 02 2006 04:51:53 PM