Help me if I helped you.
Buy me a beer/coffee!
Keep this site updated!

Directory Listing of /edt/manual/Hardware/N/Nokia/Phone/3810/

Folder.. - Mar 21 2020 12:23:43 PM
digi.gifdigi.gif 18KB May 14 2001 10:16:58 PMdigi.gif
nokiahend.gifnokiahend.gif 33KB May 14 2001 10:14:44 PMnokiahend.gif
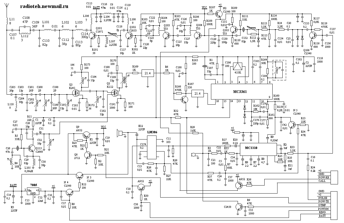
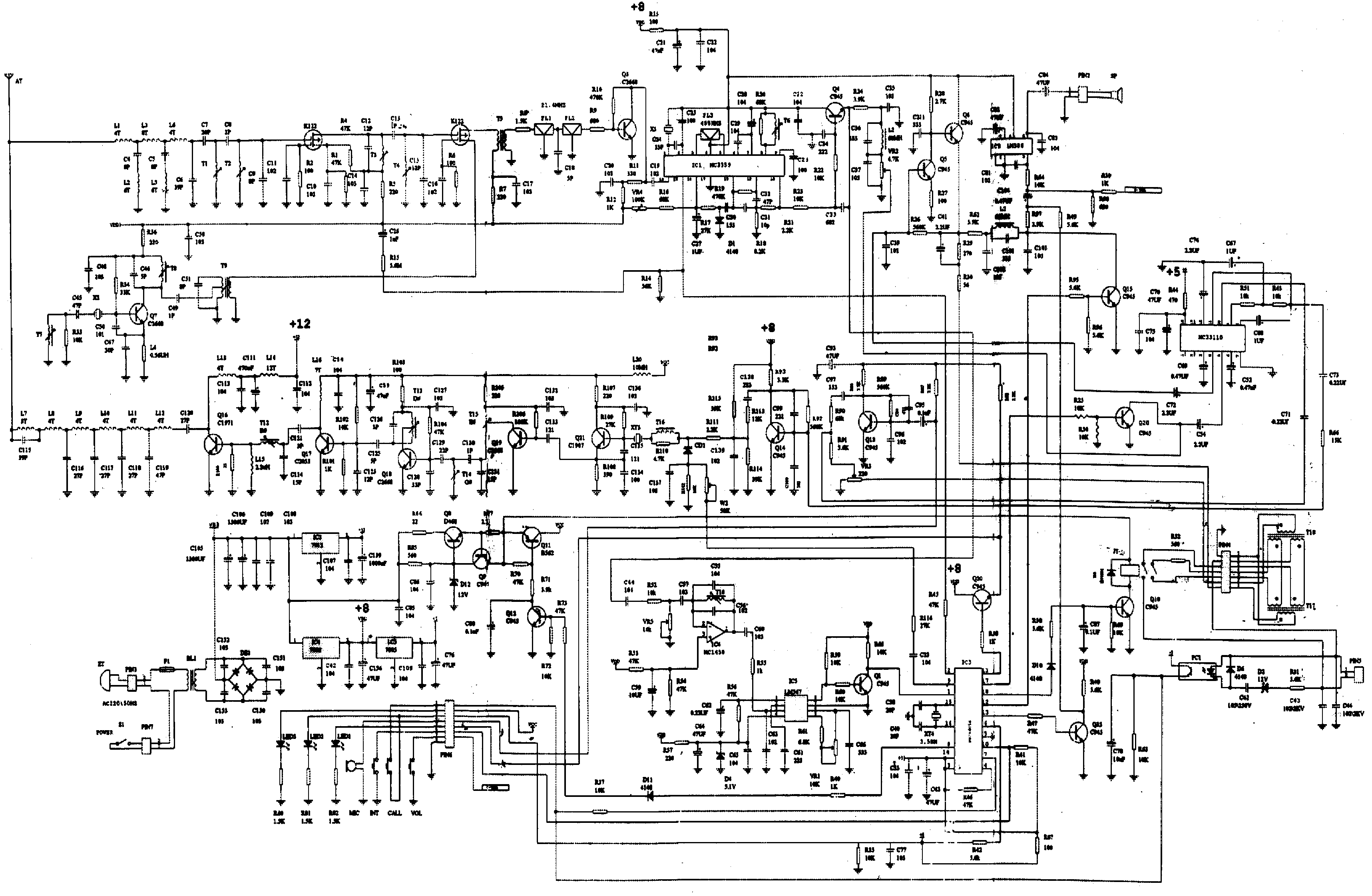
nokiahome.gifnokiahome.gif 172KB May 14 2001 04:29:14 AMnokiahome.gif