Help me if I helped you.
Buy me a beer/coffee!
Keep this site updated!
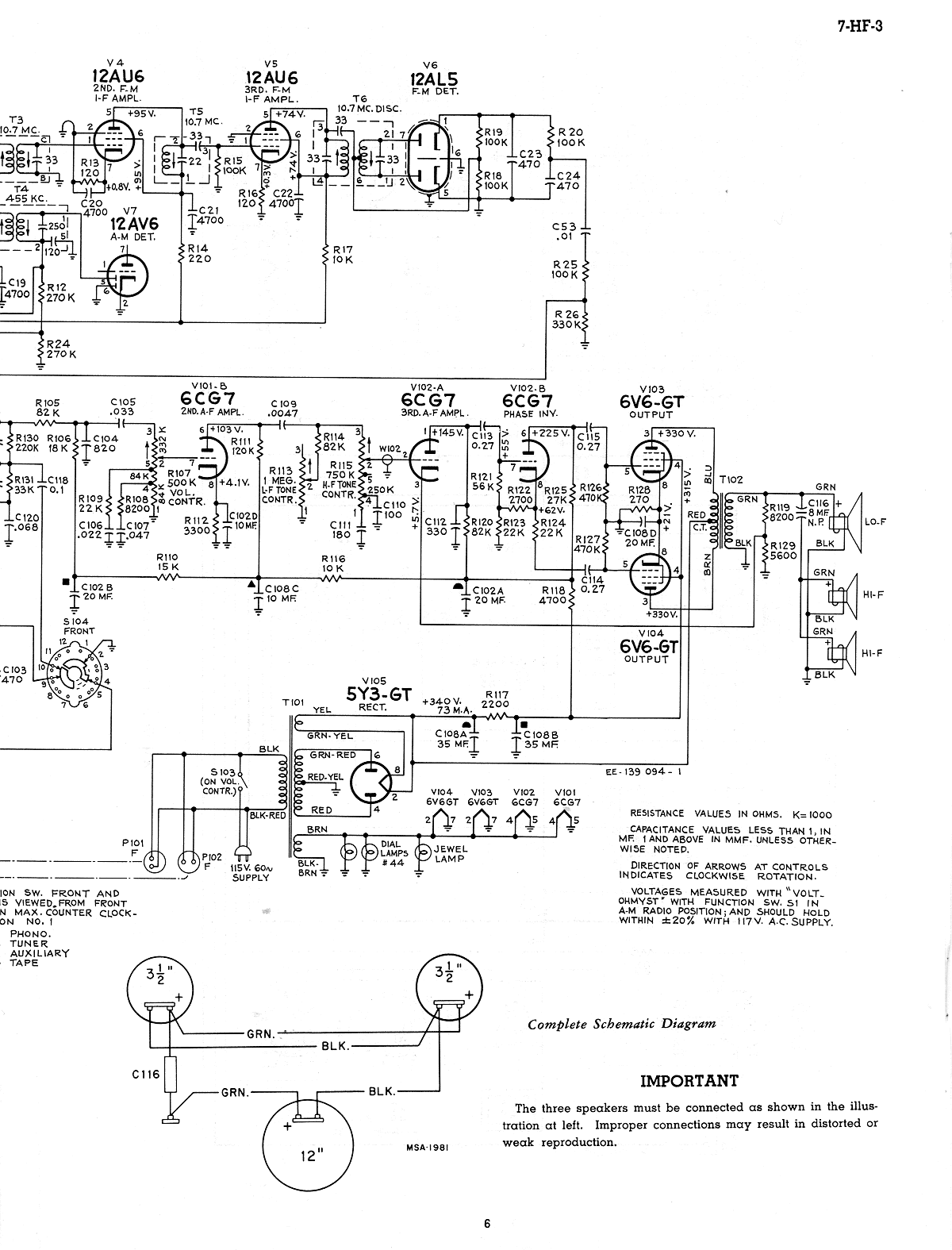
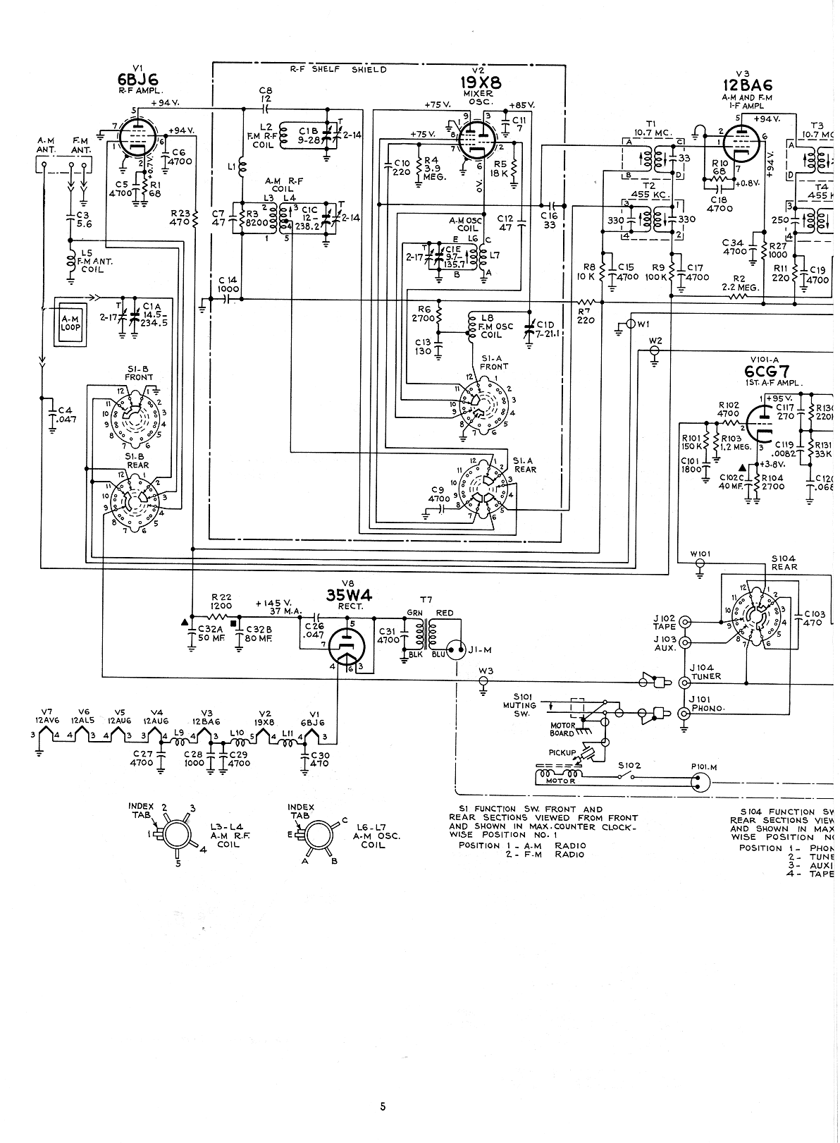
Directory Listing of /edt/manual/Hardware/R/RCA/7-HF-3/
Home
>
Hardware
>
R
>
RCA
>
7-HF-3
File
Size
Last Modified
..
-
Jul 09 2019 12:41:57 AM
schem1.gif
155KB
Feb 28 2003 10:23:46 PM
schem2.gif
154KB
Feb 28 2003 10:23:42 PM