Help me if I helped you.
Buy me a beer/coffee!
Keep this site updated!

Directory Listing of /edt/manual/Hardware/S/Solartron/7081 7071/Solartron7081/Modding/2011.11.28 Earthy ROM&RAM/

Folder.. - Jun 23 2019 01:22:12 PM
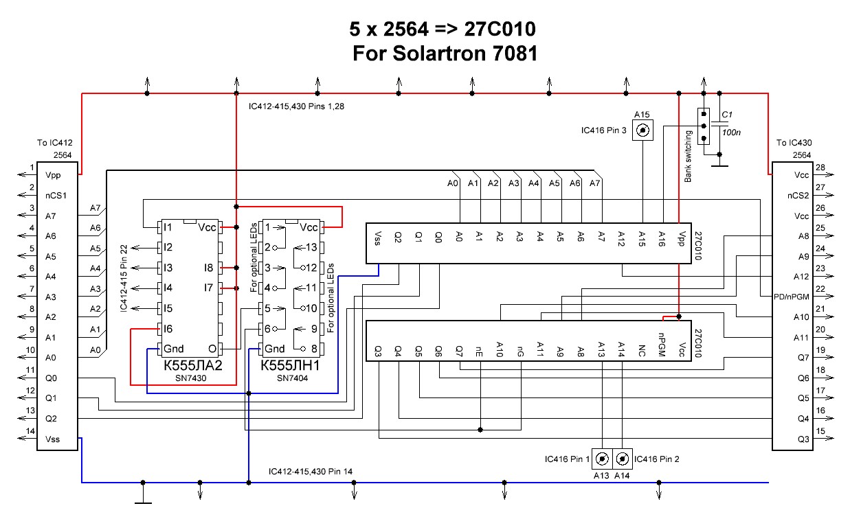
5x2564-27C010.JPG5x2564-27C010.JPG 157KB Jan 10 2012 11:00:20 AM5x2564-27C010.JPG
5x2564-27C010.spl75x2564-27C010.spl7 31KB Jan 10 2012 11:00:07 AM
2764A-2564 (Read only).JPG2764A-2564 (Read only).JPG 57KB Jan 10 2012 10:39:44 AM2764A-2564 (Read only).JPG
2764A-2564 (Read only).spl72764A-2564 (Read only).spl7 13KB Jan 10 2012 10:40:08 AM
Old ROM & RAM.jpgOld ROM & RAM.jpg 323KB Nov 28 2011 01:11:42 AMOld ROM & RAM.jpg
PCB 4 ROM.jpgPCB 4 ROM.jpg 726KB Jan 01 2002 01:00:00 AMPCB 4 ROM.jpg
PCB 5 ROM.jpgPCB 5 ROM.jpg 526KB Dec 31 2011 10:13:36 PMPCB 5 ROM.jpg