Help me if I helped you.
Buy me a beer/coffee!
Keep this site updated!
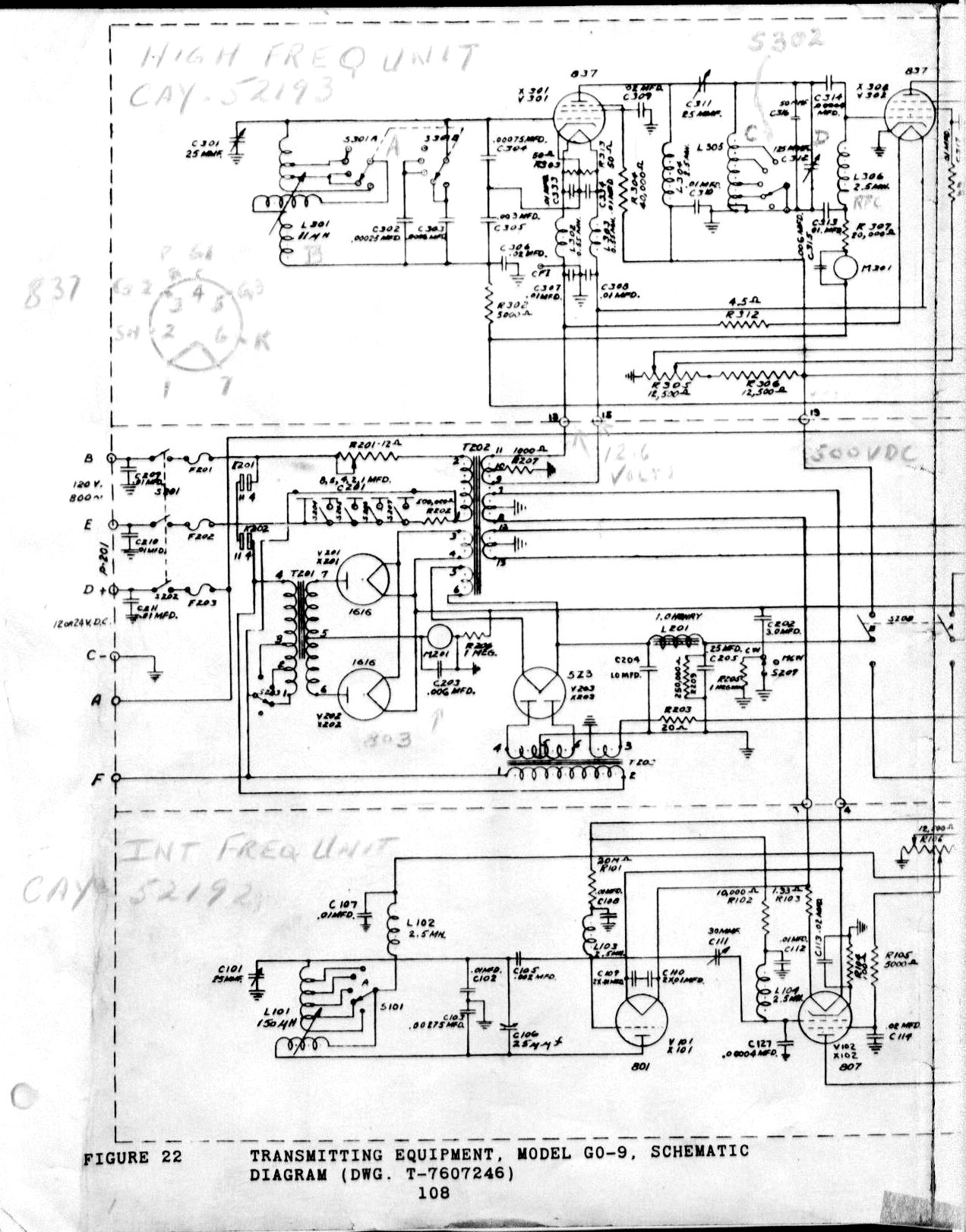
Directory Listing of /edt/manual/Hardware/W/Westinghouse/go9/
Home
>
Hardware
>
W
>
Westinghouse
>
go9
File
Size
Last Modified
..
-
Jun 23 2019 03:20:53 PM
go-9 a.jpg
332KB
Jun 23 2003 03:15:12 AM
go-9 b.jpg
409KB
Jun 23 2003 03:15:54 AM