Help me if I helped you.
Buy me a beer/coffee!
Keep this site updated!

Directory Listing of /edt/manual/Hardware/Y/Yaesu/FT-24/

Folder.. - Nov 17 2019 12:06:23 AM
apc-unit.jpgapc-unit.jpg 59KB Apr 11 2001 12:43:58 PMapc-unit.jpg
clock-unit.jpgclock-unit.jpg 26KB Apr 11 2001 12:40:40 PMclock-unit.jpg
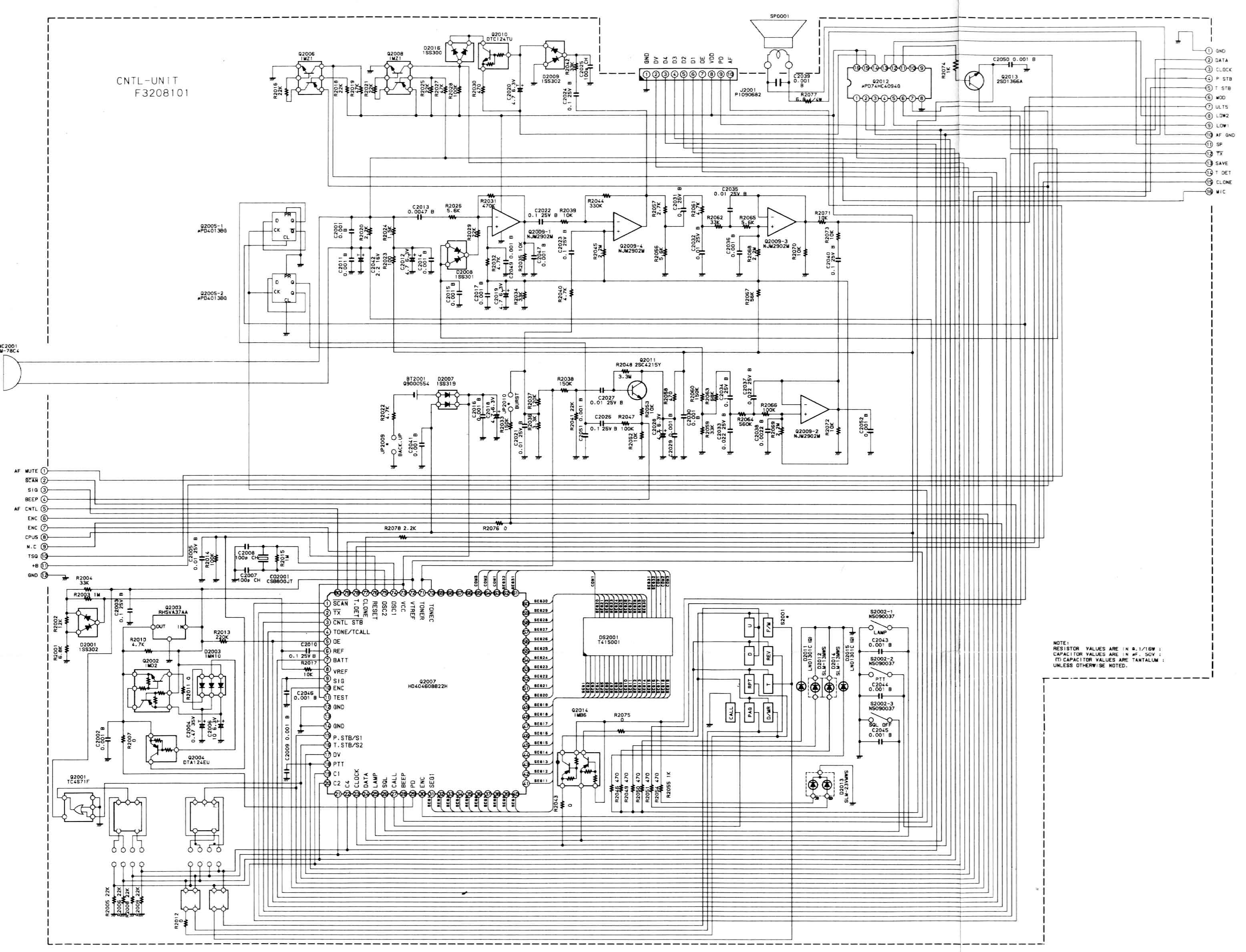
cntl-unit.jpgcntl-unit.jpg 491KB Apr 11 2001 12:51:48 PMcntl-unit.jpg
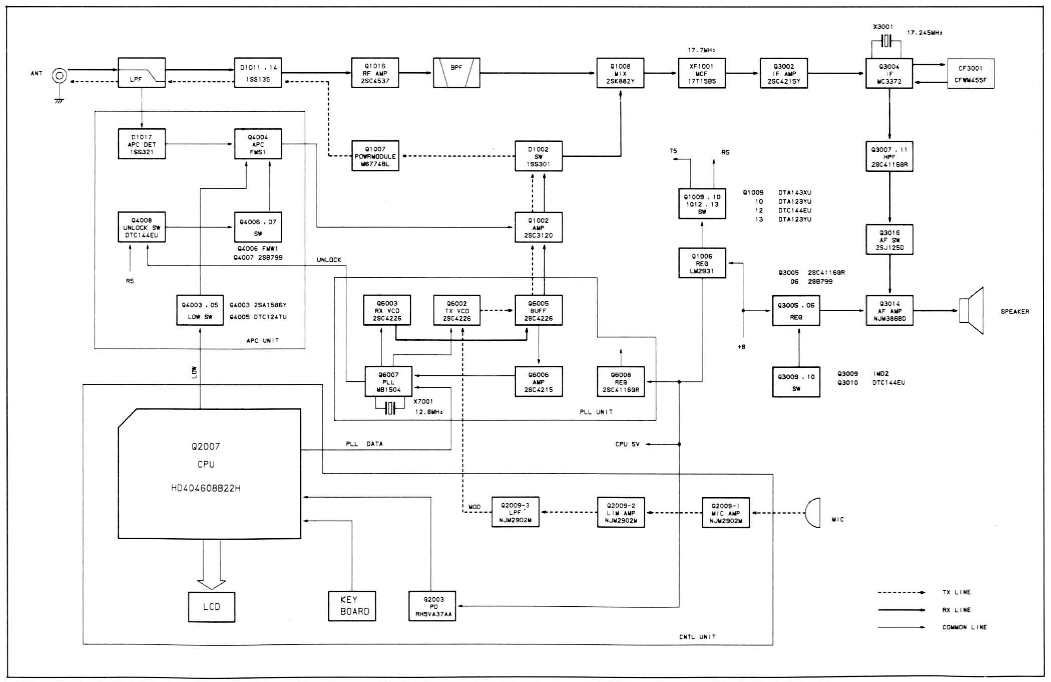
cntl-unit_diagram.jpgcntl-unit_diagram.jpg 105KB Apr 11 2001 12:49:28 PMcntl-unit_diagram.jpg
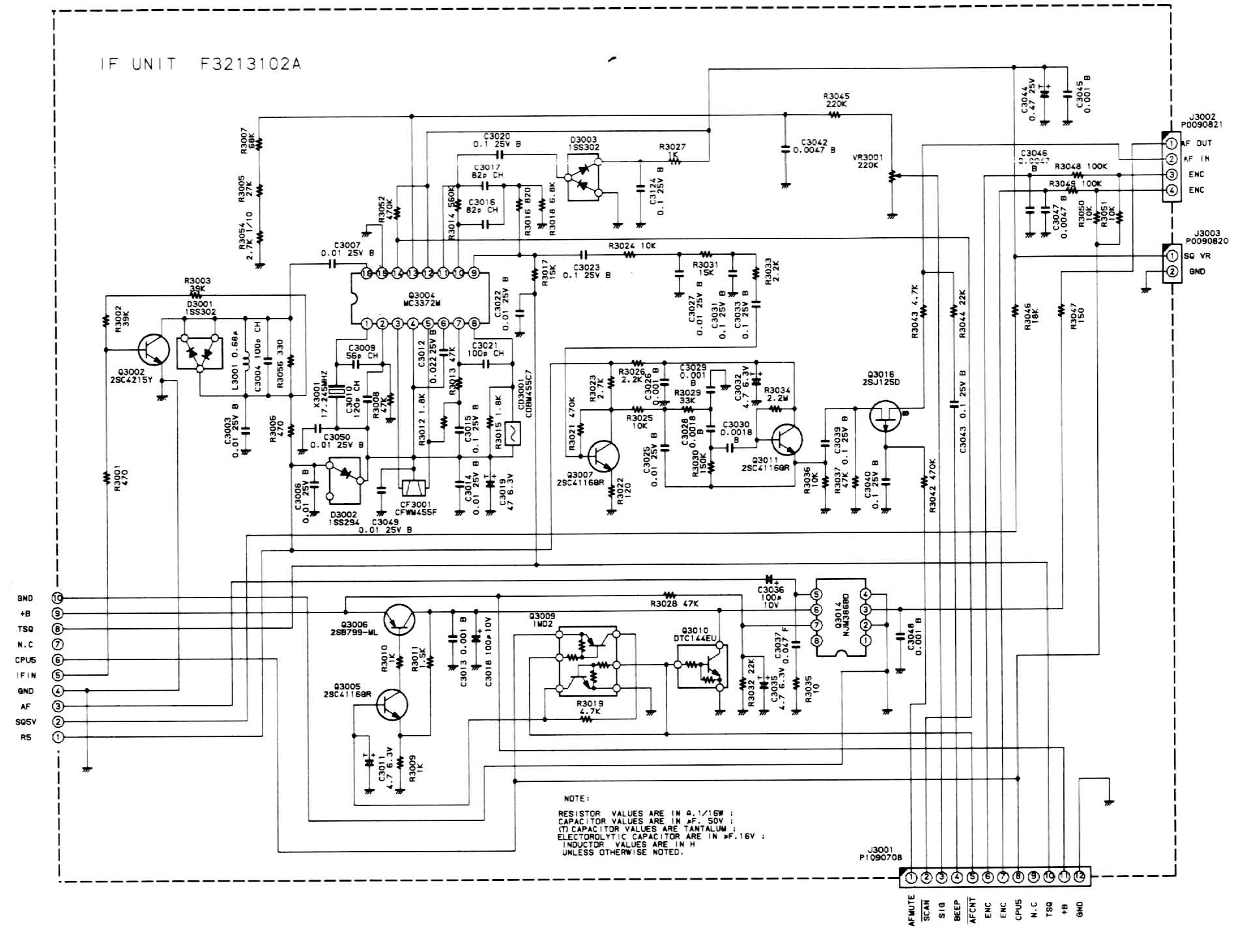
if-unit.jpgif-unit.jpg 179KB Apr 11 2001 12:46:24 PMif-unit.jpg
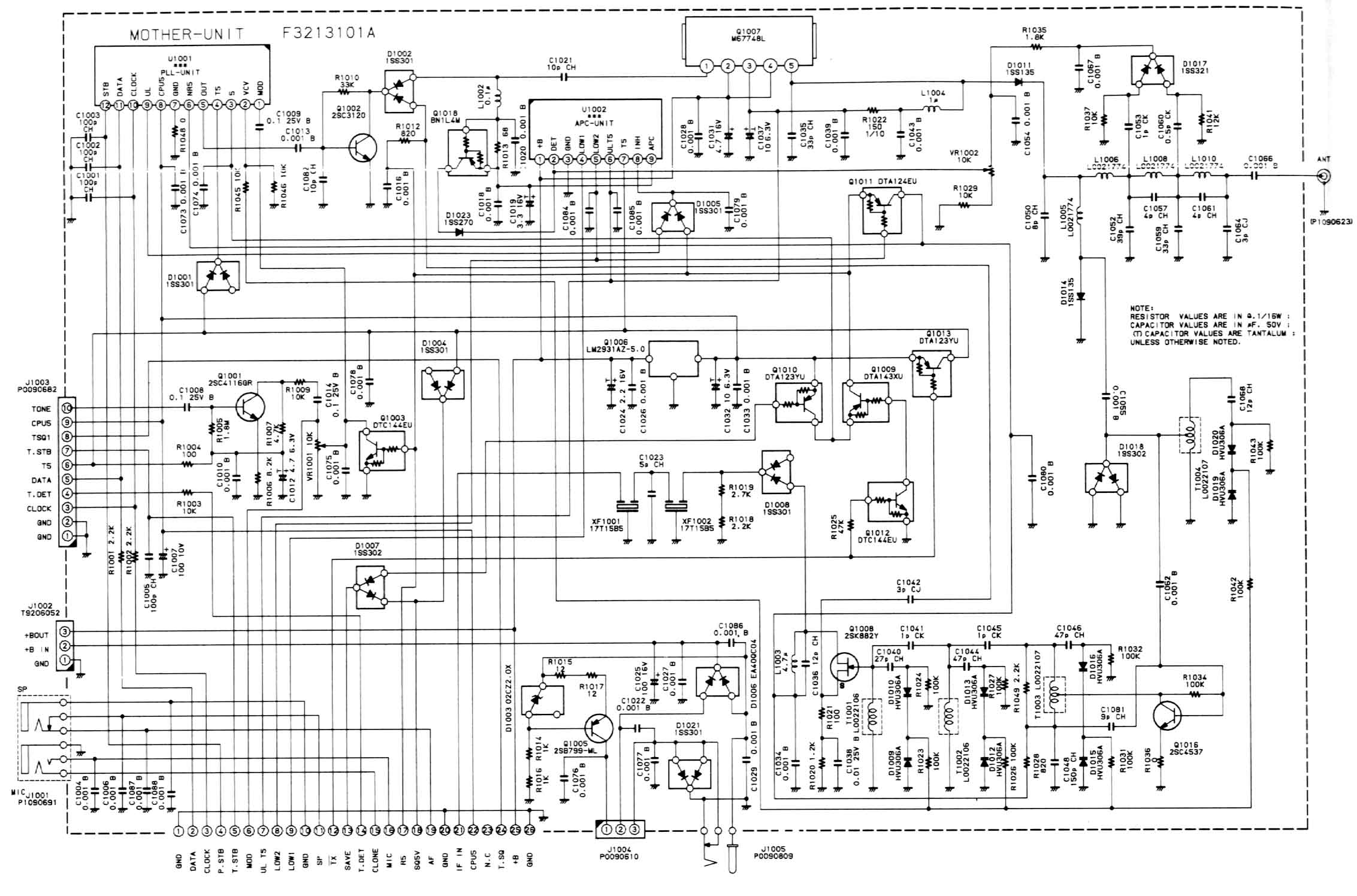
mother-unit.jpgmother-unit.jpg 254KB Apr 11 2001 12:47:50 PMmother-unit.jpg
pag-unit.jpgpag-unit.jpg 36KB Apr 11 2001 12:44:42 PMpag-unit.jpg
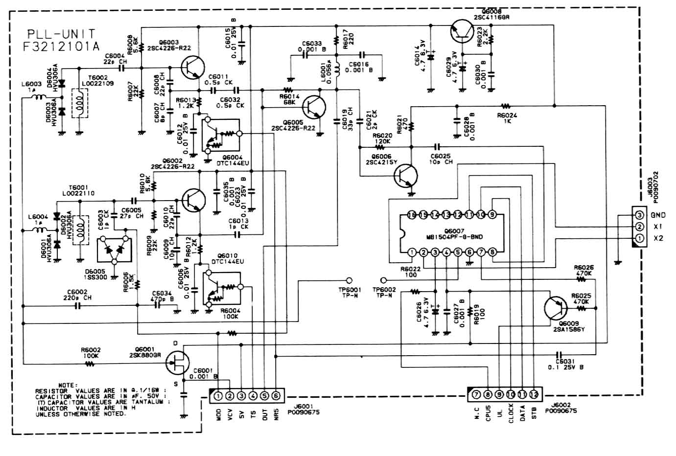
pll-unit.jpgpll-unit.jpg 110KB Apr 11 2001 12:43:14 PMpll-unit.jpg
vr-unit.jpgvr-unit.jpg 21KB Apr 11 2001 12:41:24 PMvr-unit.jpg